Пятиканальная цветомузыкальная установка

Большинство предложенных радиолюбителями цветомузыкальных установок имеют выходные каскады, построенные на тиристорах. Можно спорить о том, на сколько это целесообразно и безопасно, но попытки выполнить выходные каскады на транзисторах (Л.1) для того чтобы использовать низковольтные лампы и питать их от трансформатора, приводят к тому, что ЦМУ очень сильно усложняется, требуется применение мощного трансформатора, который должен вырабатывать напряжение для питания ламп накаливания. А если учесть что их общая мощность может достигать 1 кВт, понятно какой мощный и громоздкий потребуется трансформатор. Поэтому, несмотря на соображения, изложенные в Л.1, данная ЦМУ построена с тиристорным выходом и упрощенным однополупериодным выпрямителем для питания ламп.
ЦМУ имеет пять частотных каналов, разделение частотного спектра на каналы производится при помощи пяти активных полосовых фильтров, выполненных на операционных усилителях. Такие фильтры отличаются высокой добротностью, высоким коэффициентом передачи и узкополосностью. В результате удалось четко разделить спектр на пять полос, хотя при использовании обычных LC или RC фильтров редко удается реально получить более трех полос.
Работа такого полосового фильтра подробно описана в Л.2. Рассмотрим на примере первого канала на операционном усилителе А1. Коэффициент передачи фильтра полностью зависит от соотношения R7/R6 и мало зависит от емкостей конденсаторов С2 и СЗ. При том частота настройки фильтра полностью зависит от номиналов этих конденсаторов. В результате все пять фильтров имеют практически одинаковые схемы и большинство деталей одинаковые, за исключением этих двух емкостей.
Входной сигнал с линейного или телефонного выхода аппаратуры поступает на предварительный эмиттерный повторитель на транзисторе VT1. Высокое входное сопротивление этого каскада, а также наличие резисторов R2 и R3 на его входе приводит к тому, что вход
ЦМУ оказывает минимальное воздействие на сигнал на выходе аппаратуры. В эмиттерной цепи VT1 параллельно включены пять переменных резисторов R4, R11, R18, R25, R32, при помощи которых производится регулировка уровня сигнала, поступающего на вход каждого из частотных каналов.
Затем следует пять полосовых фильтров, фильтр на А1 имеет полосу с центральной частотой 90 Гц, фильтр на А2 имеет полосу с центральной частотой 500 Гц, фильтр на АЗ — с частотой 1800 Гц, на А4 — 4000 Гц, и последний на А5 — 7500 Гц. Добротность фильтров установлена таким образом, чтобы на тех частотах, где наступает существенный спад в АЧХ предидущего (по частоте) фильтра, наблюдался подъем АЧХ последующего фильтра. Таким образом полосы, в зонах спада АЧХ несколько перекрывают друг друга, и это дает возможность сохранить непрерывность АЧХ всего устройства в целом.
С выхода фильтра сигнал поступает на транзисторный каскад, управляющий работой тиристора. Между ОУ и этими транзисторами включены разделительные конденсаторы, исключающие влияние постоянных составляющих которые могут быть на выходе ОУ на работу выходного каскада. Пороги открывания тиристоров можно установить подстроечными резисторами, включенными в эмиттерные цепи VT2-VT6.

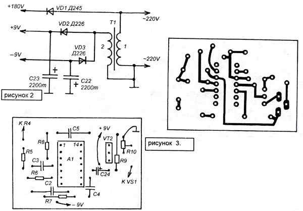
Схема источника питания показана на рисунке 2. Напряжение для питания ламп (пульсирующее 180В) получается при помощи однополупериодного выпрямителя на VD1 непосредственно из сетевого напряжения. Если лампы будут иметь мощность более 100 ВТ нужно включить параллельно VD1 еще 2-3 таких же диоды в том же направлении и установить их на радиатор. Двуполярное напряжение +-9В для питания ОУ и других каскадов получается при помощи понижающего маломощного трансформатора Т1. Трансформатор используется готовый, с одной вторичной обмоткой не имеющей отводов, поэтому двуполярное напряжение получается при помощи двух однополупериодных выпрямителей на VD2 и VD3, один из которых выпрямляет положительную полуволну, а второй отрицательную. С23 и С22 служат для сглаживания пульсаций выпрямленного напряжения. Двуполярное напряжение может быть от +-6В до +-12В.
Монтаж частично объемный, частично на пяти платах. Каждый полосовой фильтр монтируется на отдельной печатной плате (рисунок 3), на этом рисунке показана плата для фильтра на ОУ А1, платы для других фильтров точно такие же.
Эмитерный повторитель на VT1 монтируется объемным способом на выводах резисторов
R4, R11, R18, R25, R32 и на контактах входного разъема.
Тиристоры установлены на на небольших радиаторах из металлических пластин, одновременно выполняющих роль выходных клемм для подключения ламп.
Корпус сделан из древесно-стружечных плит с декоративным покрытием.
Тиристоры КУ202Н можно заменить на другие КУ202 с буквами от К до Н.
Операционные усилители К553УД1А можно заменить на К140УД6, К140УД7 (при этом цепи коррекции исключаются).
Павлов С.
Литература : 1. К .Егоров, “Пятиканальная СДУ”, ж. Радио 4-1994 стр. 38-37.
2. Нестеренко Б. К. “Интегральные операционные усилители’’, изд. Энергоиздат, 1982 г.


