НОВОГОДНИЙ АВТОМАТ «РАСТУЩАЯ ЛИНИЯ»

В отличие от привычных «бегущих огней» следующий автомат световых эффектов работает по другому алгоритму. Индикаторная (световая) панель состоит из восьми светодиодов, расположенных в линию. После включения питания, сначала загораются два светодиода посредине панели, образуя короткую линию затем, по мере работы автомата, эта линия удлиняется в обе стороны и в середине цикла достигает полной длины в восемь светодиодов. Затем, два средних светодиода гаснут, и линия как бы разрывается на две линии, которые постепенно уменьшаются до двух точек, расположенных на краях световой (индикаторной) панели. Затем весь процесс повторяется снова и снова.

В основе автомата регистра сдвига D2, на начальном этапе, после включения питания, цепь C2-R2 устанавливает регистр в нулевое положение. На всех его выходах ноль, и на выходе инвертора D1.4 - единица. По фронту каждого из импульсов, поступающих на вход С он записывает и сдвигает данные, поданные на его вход D, то есть, сейчас - единицу. Так, в течение первых четырех тактов происходит последовательное заполнение выходов регистра единицами. Как только в последний выход 4 будет записана единица, уровень на выходе D1.4 меняется и теперь, в течение последующих четырех тактов в регистр записываются нули. Соответствующее расположение светодиодов дает выше описанный световой эффект.
Если светодиоды расположить иначе, тоже в линию, но в порядке номеров, согласно схеме, то получится эффект «бегущая линия», будет создаваться впечатление, что по панели пробегает линия длиной в восемь светодиодов.
Сначала с одного края появляется её начальная черточка, затем, линия перемещается дальше, и в середине цикла видна уже вся (все восемь светодиодов), далее, линия, как бы перемещаясь, постепенно уходит из поля зрения.
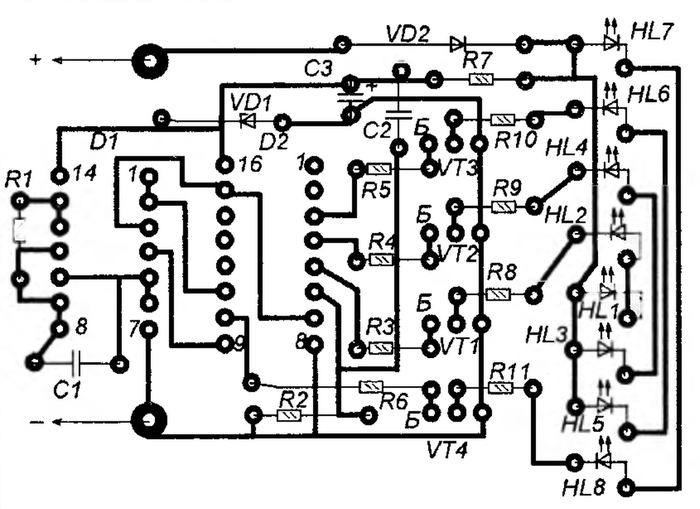
На рисунке приводится рисунок платы для создания эффекта «растущей линии», для эффекта «бегущей линии» нужно изменить дорожки под светодиоды. Стабилитрон - любой на 6-9V. Транзисторы КТ315 можно заменить любыми, выдерживающими ток коллектора до 0,1А. Диод КД209 -любой выпрямительный.
Скорость воспроизведения эффекта зависит от параметров цепи R1-C1.


