СДУ новогодняя на 16 гирлянд

Эта СДУ разработана в двух вариантах. Первый управляет только расположенными на его плате светодиодами и предназначен для разработки и отладки программ световых эффектов. Микроконтроллер с отлаженной программой может быть перенесён на плату второго варианта СДУ, к которому можно подключить 16 осветительных приборов, питающихся от сети 220 В
Из 20 выводов микроконтроллера ATtiny2313 в рассматриваемых СДУ использованы 19: два — для подачи напряжения питания; один — для подключения кнопки, управляющей скоростью воспроизведения световых эффектов; 16 — для формирования сигналов управления гирляндами или другими световыми приборами.
Предусмотрено восемь значений скорости воспроизведения эффектов, их переключают по кругу нажатиями на кнопку. При минимальной скорости состояние гирлянд изменяется каждые 8 с, а при максимальной период смены уменьшается до 0,5...1 с. Следует иметь в виду, что из-за особенностей программы необходимая для переключения скорости длительность нажатия на кнопку довольно велика. К тому же она зависит от скорости, установленной в данный момент. Информацию о скорости микроконтроллер хранит в своём EEPROM, поэтому при включении СДУ она становится такой же, какой была в предыдущем сеансе работы.
СДУ с микроконтроллером ATtiny2313 на 16 гирлянд
Рис. 1. Схема СДУ с микроконтроллером ATtiny2313 на 16 гирлянд

Схема отладочного варианта СДУ, управляющего только светодиодами HL1—HL16, изображена на рис. 1.
Микроконтроллер DD1 работает от внутреннего RC-генератора частотой 4 МГц. Разъём ХР1 предназначен для соединения с программатором установленного в панель СДУ микроконтроллера. На время программирования цепь питания светодиодов должна быть разорвана выключателем SA1, что исключает их влияние на процесс программирования. Резистор R1 поддерживает высокий логический уровень напряжения на входе PD2 микроконтроллера, когда кнопка SB1 отпущена. При нажатой кнопке этот уровень становится низким.
плата СДУ
Устройство собрано на печатной плате размерами 95x70 мм из фольгированного стеклотекстолита. Её чертёж показан на рис, 2. Для микроконтроллера на плате предусмотрена панель. Это позволяет запрограммировать его и проверить в работе, а затем перенести в другую СДУ, которая будет описана ниже.
Плата рассчитана на установку оксидных конденсаторов (С1 и С2) SR или аналогичных. Диэлектрик конденсаторов СЗ и С4 — керамика. Резисторы — CF-0,125 или другие подобные. Трансформатор Т1 — ТПГ-2 с вторичным переменным напряжением 6 В, конструктивно предназначенный для установки на печатную плату. Можно применить его аналог BVEI 306 2061 мощностью 2,6 В-А. Стабилизатор DA1 в рассматриваемом случае теплоотвода не требует. Кнопки SB1 и выключатель SA1 могут быть любыми, подходящими по размерам для установки на плату.
Второй вариант СДУ управляет не светодиодами, а лампами накаливания или другими световыми приборами на 220 В. Для этого каждая из пар резистор—светодиод предыдущего варианта заменена симисторным коммутатором, схема которого изображена на рис. 3. Для управления мощным симистором VS1 здесь использован оптрон 1)1, фотодинистор которого устроен так, что моменты его открывания всегда совпадают с переходами приложенного к нему напряжения через ноль. Это уменьшает создаваемые СДУ электромагнитные помехи.
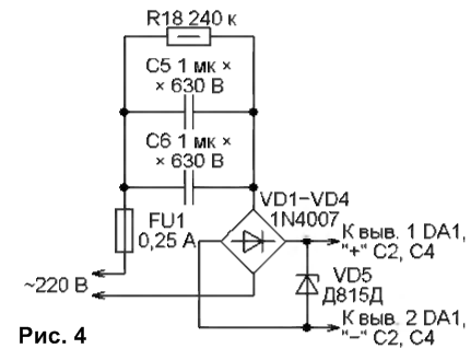
Поскольку для управления оптроном МОС3043 достаточно тока через его излучающий диод всего 5 мА, суммарная нагрузка на микроконтроллер не превышает 80 мА. Общий ток потребления от узла питания в новом варианте приблизительно в два раза меньше. Это позволило отказаться от трансформатора и применить бестрансформаторный узел с гасящими конденсаторами. На его схеме (рис. 4) нумерация элементов продолжает начатую на рис. 1.

Печатная плата второго варианта имеет размеры 195x85 мм. Её чертёж показан на рис. 5. Элементы шестнадцати одинаковых коммутаторов имеют на нём позиционные номера с цифровыми префиксами, означающими порядковый номер коммутатора. Например, 8R1—8R3, 8U1, 8VS1 — элементы восьмого коммутатора, заменившего резистор R9 и светодиод HL8 и управляющего лампой накаливания (или собранной из них гирляндой) 8EL1.
Все 16симисторов 1VS1 — 16VS1 закреплены на общем теплоотводе из алюминиевой пластины размерами 160x25x2 мм, расположенной перпендикулярно поверхности платы. Крепёжные отверстия для симисторов просверлены в ней на высоте 19 мм от платы.

Симисторы ВТ138Х-600 в полностью изолированном корпусе TO-220F могут быть заменены приборами серий ВТ137—ВТ139 на 600 или 800 В, в том числе в обычном корпусе ТО-220 с металлическим крепёжным и тепло-отводящим фланцем. Поскольку этот фланец соединён внутри симистора с его выводом 2, а все эти выводы соединены на плате, изоляция симисторов от теплоотвода не требуется.
Рекомендуется сначала закрепить на теплоотводе симисторы, а затем смонтировать всю их сборку на плату. Непосредственно к выводам симисторов припаивают резисторы 1R3—16R3. Выводы 1 симисторов зажимают в обращенных к ним отверстиях винтовых зажимов ЗВИ-10-2,5-6 мм2, колодка с которыми (рис. 6) установлена вдоль длинной стороны платы рядом с сими-сторами. Всего в колодке 17 пар зажимов, 16 из которых служат для подключения ламп 1EL1—16EL1, а ещё одна — для их общего провода.

Конденсаторы С5 и С6 — К73-17В или импортные, способные работать при переменном напряжении не менее 250 В. Резисторы 1R1 —16R1 — MF-1.
Для микроконтроллера должна быть предусмотрена панель, в которую его следует устанавливать уже запрограммированным.
К статье прилагаются три версии программы микроконтроллера, пригодных для использования в обоих вариантах СДУ:
PG16H_S_REGULhex — 16 гирлянд работают независимо;
PG8_MK_S_REG.hex — две группы по восемь гирлянд работают синхронно;
PG4_MK_S_REGUL.hex — четыре группы по четыре гирлянды работают синхронно.

Конфигурацию микроконтроллера во всех случаях оставляют установленной на заводе-изготовителе.
Если используется меньшее число гирлянд (светодиодов), то элементы, относящиеся к неиспользуемым гирляндам, на платы описанных СДУ можно не устанавливать. При работе с СДУ второго варианта, все компоненты которого имеют гальваническую связь с сетью, необходимо соблюдать правила электробезопасности.
Журнал Радио,№11 2014г. И. АБЗЕЛИЛБАШ, г. Сибай, Башкирия
© Ссылка на источник http://radio-hobby.org/modules/news/article.php?storyid=1490
Скачать файлы (платы, прошивки)


