Простое универсальное автоматическое зарядное устройство

Я постарался вставить в заголовок этой статьи все плюсы данной схемы, которою мы будем рассматривать и естественно у меня это не совсем получилось. Так что давайте теперь рассмотрим все достоинства по порядку.
Главным достоинством зарядного устройство является то, что оно полностью автоматическое. Схема контролирует и стабилизирует нужный ток зарядки аккумулятора, контролирует напряжение аккумуляторной батареи и как оно достигнет нужного уровня – убавит ток до нуля.
Какие аккумуляторные батареи можно заряжать?
Практически все: литий-ионные, никель-кадмиевые, свинцовые и другие. Масштабы применения ограничиваются только током заряда и напряжением.
Для всех бытовых нужд этого будет достаточно. К примеру, если у вас сломался встроенный контроллер заряда, то можно его заменить этой схемой. Аккумуляторные шуруповерты, пылесосы, фонари и другие устройства возможно заряжать этим автоматическим зарядным устройством, даже автомобильные и мотоциклетные батареи.
Где ещё можно применить схему?

Помимо зарядного устройства можно применить данную схему как контроллер зарядки для альтернативных источников энергии, таких как солнечная батарея.
Также схему можно использовать как регулируемый источник питания для лабораторных целей с защитой короткого замыкания.
Основные достоинства:
- Простота: схема содержит всего 4 довольно распространённых компонента.
- Полная автономность: контроль тока и напряжения.
- Микросхемы LM317 имеют встроенную защиту от короткого замыкания и перегрева.
- Небольшие габариты конечного устройства.
- Большой диапазон рабочего напряжения 1,2-37 В.
Недостатки:
- Ток зарядки до 1,5 А. Это скорей всего не недостаток, а характеристика, но я определю данный параметр сюда.
- При токе больше 0,5 А требует установки на радиатор. Также следует учитывать разницу между входным и выходным напряжением. Чем эта разница будет больше, тем сильнее будут греться микросхемы.
Схема автоматического зарядного устройства

Простое универсальное автоматическое зарядное устройство
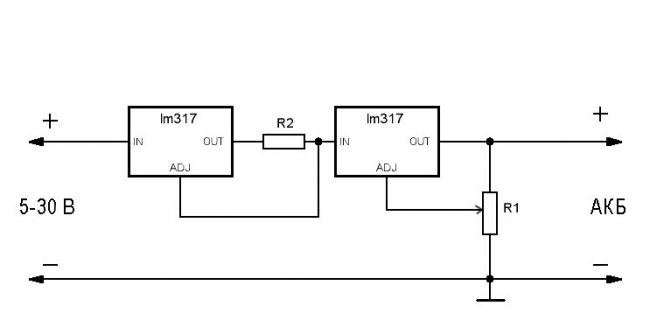
На схеме не показан источник питания, а только блок регулировки. Источником питания может служить трансформатор с выпрямительным мостом, блок питания от ноутбука (19 В), блок питания от телефона (5 В). Все зависит от того какие цели вы преследуете.
Схему можно поделать на две части, каждая из них функционирует отдельно. На первой LM317 собран стабилизатор тока. Резистор для стабилизации рассчитывается просто: «1,25 / 1 = 1,25 Ом», где 1,25 – константа которая всегда одна для всех и «1» - это нужный вам ток стабилизации. Рассчитываем, затем выбираем ближайший из линейки резистор. Чем выше ток, тем больше мощность резистора нужно брать. Для тока от 1 А – минимум 5 Вт.
Вторая половина — это стабилизатор напряжения. Тут все просто, переменным резистором выставляете напряжение заряженного аккумулятора. К примеру, у автомобильных батарей оно где-то равно 14,2-14,4. Для настройки подключаем на вход нагрузочный резистор 1 кОм и измеряем мультиметром напряжение. Выставляем подстрочным резистором нужное напряжение и все. Как только батарея зарядится и напряжение достигнет выставленного – микросхема уменьшит ток до нуля, и зарядка прекратиться.
Я лично использовал такое устройство для зарядки литий-ионных аккумуляторов. Ни для кого не секрет, что их нужно заряжать правильно и если допустить ошибку, то они могут даже взорваться. Это ЗУ справляется со всеми задачами.
Простое универсальное автоматическое зарядное устройство
Простое универсальное автоматическое зарядное устройство
Чтобы контролировать наличие заряда можно воспользоваться схемой, описанной в этой статье - Индикатор наличия тока.
Есть ещё схема включения этой микросхемы в одно: и стабилизация тока и напряжения. Но в таком варианте наблюдается не совсем линейная работа, но в некоторых случаях может и сгодиться.
Информативное видео, только не на русском, но формулы расчета понять можно.
Источник: https://sdelaysam-svoimirukami.ru/3853-prostoe-universalnoe-avtomaticheskoe-zaryadnoe-ustroystvo.html


