Автоматический регулятор оборотов кулера

Вентиляторы охлаждения сейчас стоят во многих бытовых приборах, будь то компьютеры, музыкальные центры, домашние кинотеатры. Они хорошо, справляются со своей задачей, охлаждают нагревающиеся элементы, однако издают при этом истошный, и весьма раздражающий шум. Особенно это критично в музыкальных центрах и домашних кинотеатрах, ведь шум вентилятора может помешать наслаждаться любимой музыкой. Производители часто экономят и подключают охлаждающие вентиляторы напрямую к питанию, от чего они вращаются всегда с максимальными оборотами, независимо от того, требуется охлаждение в данный момент, или нет. Решить эту проблему можно достаточно просто – встроить свой собственный автоматический регулятор оборотов кулера. Он будет следить за температурой радиатора и только при необходимости включать охлаждение, а если температура продолжит повышаться, регулятор увеличит обороты кулера вплоть до максимума. Кроме уменьшения шума такое устройство значительно увеличит срок службы самого вентилятора. Использовать его также можно, например, при создании самодельных мощных усилителей, блоков питания или других электронных устройств.
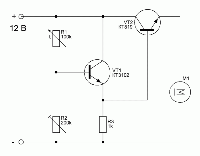
Схема

Автоматический регулятор оборотов кулера
Схема крайне проста, содержит всего два транзистора, пару резисторов и термистор, но, тем не менее, замечательно работает. М1 на схеме – вентилятор, обороты которого будут регулироваться. Схема предназначена на использование стандартных кулеров на напряжение 12 вольт. VT1 – маломощный n-p-n транзистор, например, КТ3102Б, BC547B, КТ315Б. Здесь желательно использовать транзисторы с коэффициентом усиления 300 и больше. VT2 – мощный n-p-n транзистор, именно он коммутирует вентилятор. Можно применить недорогие отечественные КТ819, КТ829, опять же желательно выбрать транзистор с большим коэффициентом усиления. R1 – терморезистор (также его называют термистором), ключевое звено схемы. Он меняет своё сопротивление в зависимости от температуры. Сюда подойдёт любой NTС-терморезистор сопротивлением 10-200 кОм, например, отечественный ММТ-4. Номинал подстроечного резистора R2 зависит от выбора термистора, он должен быть в 1,5 – 2 раза больше. Этим резистором задаётся порог срабатывания включения вентилятора.
Автоматический регулятор оборотов кулера
Изготовление регулятора
Схему можно без труда собрать навесным монтажом, а можно изготовить печатную плату, как я и сделал. Для подключения проводов питания и самого вентилятора на плате предусмотрены клеммники, а терморезистор выводится на паре проводков и крепится к радиатору. Для большей теплопроводности прикрепить его нужно, используя термопасту. Плата выполняется методом ЛУТ, ниже представлены несколько фотографий процесса.
После изготовления платы в неё, как обычно запаиваются детали, сначала мелкие, затем крупные. Стоит обратить внимание на цоколёвку транзисторов, чтобы впаять их правильно. После завершения сборки плату нужно отмыть от остатков флюса, прозвонить дорожки, убедиться в правильности монтажа.
Настройка
Теперь можно подключать к плате вентилятор и осторожно подавать питание, установив подстроечный резистор в минимальное положение (база VT1 подтянута к земле). Вентилятор при этом вращаться не должен. Затем, плавно поворачивая R2, нужно найти такой момент, когда вентилятор начнёт слегка вращаться на минимальных оборотах и повернуть подстроечник совсем чуть-чуть обратно, чтобы он перестал вращаться. Теперь можно проверять работу регулятора – достаточно приложить палец к терморезистору и вентилятор уже снова начнёт вращаться. Таким образом, когда температура радиатора равно комнатной, вентилятор не крутится, но стоит ей подняться хоть чуть-чуть, он сразу же начнёт охлаждать.
Источник: https://sdelaysam-svoimirukami.ru/4441-avtomaticheskiy-regulyator-oborotov-kulera.html


