Инфракрасный барьер

Как известно, помимо видимого светового спектра существует также инфракрасное излучение, которое не воспринимается глазом человека. Его часто используют в пультах дистанционного управления для передачи различных команд. Интересный факт – чтобы «увидеть» инфракрасный свет, достаточно направить объектив цифрового фотоаппарата на ИК-излучатель пульта и нажимать на нём клавиши. На экране фотоаппарата при этом будет видна светящаяся точка – это работает инфракрасный светодиод.
ИК-лучи в радиоэлектронике позволяют создать такое интересное устройство, которое называется инфракрасным барьер. Оно состоит из двух частей – передатчика и приёмника. Передатчик представляет собой обычный ИК-светодиод, на который поступают пачки импульсов. Приёмник эти пачки импульсов непрерывно улавливает и детектирует. Когда между приёмником и передатчиком имеется свободная видимая связь, т.е. свет свободно «долетает» до приёмника, на выходе устанавливается логический ноль. Но как только в зоне действия появляется посторонний предмет, связь моментально нарушается и приёмник об этом сигнализирует. Использовать такой барьер можно, прежде всего, в охранных сигнализациях, ведь ИК излучение не увидеть невооружённым глазом.
Преимуществом именно этой схемы является то, что инфракрасный светодиод в ней светится не непрерывно, а импульсно. Во-первых, это продлевает жизнь самому светодиоду и уменьшает потребление тока, а во-вторых, это является хорошим средством защиты от ложных срабатываний, поэтому схему спокойно можно использовать даже на улице, когда на приёмник попадают прямые солнечные лучи.
Схема передатчика

Схема передатчика основана на сдвоенном интегральном таймере NE556, который генерирует импульсы для излучающего светодиода LED1, резистор R2 при этом задаёт мощность излучения. Все остальные элементы схемы должны строго соответствовать заданному номиналу для соблюдения нужной частоты работы генератора. D1 – любой маломощный диод, например, 1N4148, 1N4007, КД521.
Схема приёмника

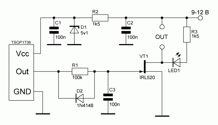
Ключевым звеном схемы является специальный приёмник ИК сигнала, обозначаемый как TSOP (Temic Semiconductors Opto Electronics Photo Modules). Найти его можно в любом телевизоре, имеющем пульт управления. Сюда подойдёт любой приёмник, рассчитанный на частоту 36 кГц, например, TSOP1736. Этот приёмник управляет затвором полевого транзистора VT1. Т.к. сигнал с выхода приёмника составляет около 5 вольт, то транзистор нужно применить с логическим управлением, например, IRL520 или любые другие из серии IRL. В крайнем случае, можно поставить и обычный полевой, например, IRF540, IRF740, IRF630, но он не будет открываться полностью. Светодиод LED1 индицирует состояние выхода схемы. Когда видимая связь между приёмником и передатчиком не нарушена, напряжение на выходе равно нулю, LED1 не горит. Как только в зоне действия появляется посторонний предмет, LED1 загорается, а напряжение на выходе OUT становится равным напряжению питания. D1 на схеме – стабилитрон на 5 вольт, можно применить, например, 1N4733.
Инфракрасный барьер
Сборка ИК-барьера
Каждая схема собирается на своей печатной плате, TSOP-приёмник и ИК-светодиод выводятся на проводках. Платы выполняются методом ЛУТ, ниже представлена пара фотографий процесса:
Как и при создании любого электронного устройства, сначала на плату запаиваются мелкие детали – резисторы, диоды. Затем конденсаторы, а после них всё остальное. Микросхему желательно установить в панельку, а провода питания для удобства подключить через клеммники. После пайки смыть остатки флюса с платы, прозвонить дорожки на замыкание.
Настройка и испытания
После сборки можно подавать на платы питание. Напряжение питания обеих схем составляет 9-12 вольт. После включения необходимо убедиться, что напряжение на катоде стабилитрона в схеме приёмника составляет примерно 5 вольт. Если оно выше, нужно проверить работоспособность стабилитрона и резистора R2, иначе TSOP-приёмник может сгореть. Запустив передатчик, можно посмотреть на светодиод через объектив фотоаппарата, он должен слегка светиться. Желательно поместить светодиод в трубочку длиной 3-4 сантиметра для того, чтобы свет не рассеивался по сторонам, а был направлен строго в одном направлении.
Теперь можно направить трубку светодиодом на приёмник и посмотреть, что произойдёт. Когда между ними существует видимая связь, синий светодиод погашен, это можно видеть по фото.
Инфракрасный барьер
Теперь поместим кусок фанерки на пути потока ИК-излучения, связь между приёмником и передатчиком потеряется и синий светодиод сразу же загорится.
Можно поэкспериментировать с различными материалами. Бумага и прозрачный пластик пропускают инфракрасное излучение, поэтому ИК-барьер на них не реагирует. Зато металл, дерево, рука человека или другие плотные материалы являют препятствием для лучей, как видно по видео.
Смотрите видео
Источник: https://sdelaysam-svoimirukami.ru/4413-infrakrasnyy-barer.html


