Автоматическое зарядное устройство 12 В

Это очень простая схема приставки к вашему уже имеющемуся зарядному устройству. Которая будет контролировать напряжение заряда аккумуляторной батареи и при достижении выставленного уровня - отключать его от зарядника, тем самым предотвращая перезарядку аккумулятора.
Это устройство не имеет абсолютно никаких дефицитных деталей. Вся схема построена всего на одном транзисторе. Имеет светодиодные индикаторы, отображающие состояние: идет зарядка или батарея заряжена.
Кому пригодятся это устройство?
Такое устройство обязательно пригодится автомобилистам. Тем у кого есть не автоматическое зарядное устройство. Это приспособление сделает из вашего обычного зарядного устройства - полностью автоматический зарядник. Вам больше не придется постоянного контролировать зарядку вашей батареи. Все что нужно будет сделать, это поставить аккумулятор заряжаться, а его отключение произойдет автоматически, только после полной зарядки.
Автоматическое зарядное устройство 12 В
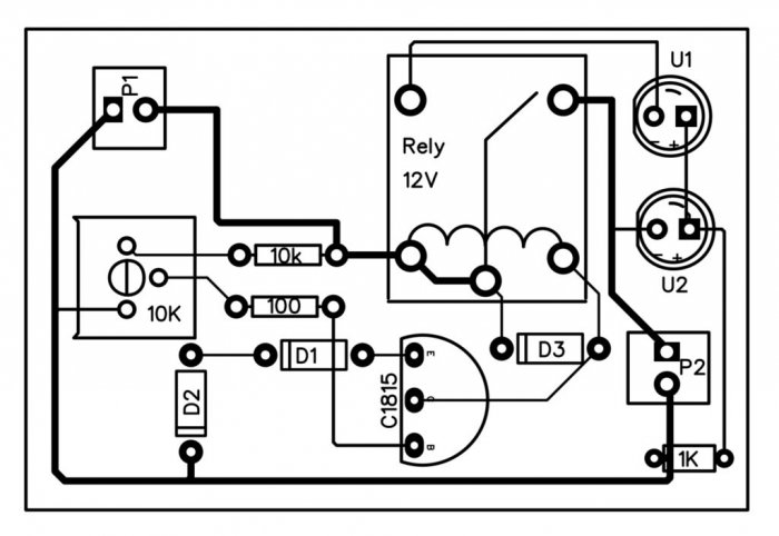
Схема автоматического зарядного устройства

Автоматическое зарядное устройство 12 В
Вот собственно и сама схема автомата. Фактически это пороговое реле, которое срабатывает при превышении определенного напряжения. Порог срабатывания устанавливается переменным резистором R2. Для полностью заряженного автомобильного аккумулятора он обычно равен - 14,4 В.
Схему можете скачать здесь - http://www.mediafire.com/file/0ldtxs4ma6mt2q2/12V-Auto-Cut-Off-Charger_circuit_By_hawkar_Fariq.pdf Источник: https://sdelaysam-svoimirukami.ru/?do=lastcomments
Печатная плата

Автоматическое зарядное устройство 12 В
Как делать печатную плату, решать Вам. Она не сложная и поэтому ее запросто можно накидать на макетной плате. Ну или можно заморочиться и сделать на текстолите с травлением.
Настройка
Если все детали исправные настройка автомата сводиться только к выставлению порогового напряжения резистором R2. Для этого подключаем схему к зарядному устройству, но аккумулятор пока не подключаем. Переводим резистор R2 в крайнее нижнее положение по схеме. Устанавливаем выходное напряжение на заряднике 14,4 В. Затем медленно вращаем переменный резистор до тех пор, пока не сработает реле. Все настроено.
Поиграемся с напряжением, чтобы убедиться что приставка надежно срабатывает при 14,4 В. После этого ваш автоматический зарядник готов к работе.
Смотрите видео работы зарядного устройства
Источник: https://sdelaysam-svoimirukami.ru/4079-avtomaticheskiy-zaryadnoe-ustroystvo-12-v.html


