Звуковой пъезоизлучатель своими руками

Схема, представленная в этой статье, очень проста в повторении и не должна вызвать ни каких затруднения в сборке.
Она может применяться в различных устройствах для звукового оповещения. Например, сигнализации, звукового дублирования сигнала поворотов в автомобиле или велосипеде, сигнала о разряде аккумуляторов и так далее. Можно конечно взять готовый бипер, например, от старого китайского будильника, музыкальной открытки или других устройств, но я решил сделать его сам своими руками. Так ведь интересней.
Ещё одна цель сборки - это популяризация увлечения молодёжи радиоэлектроникой. Если этот сайт сможет увлечь хотя бы несколько человек таким интересным и хорошим делом, то свою задачу можно считать выполненной.
Схему взял простенькую, но проверенную. Уже и не помню, откуда она у меня.
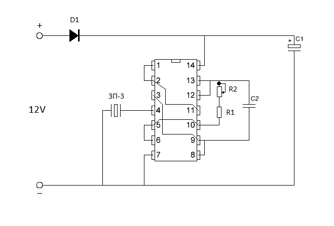
Схема звукового пъезоизлучателя

Звуковой пъезоизлучатель своими руками
Детали для сборки схемы звукового сигнала
Детали для схемы можно использовать очень широкого диапазона.
Например, микросхемы Ла7 из серий К176, К164, К564, К561 или К561ЛЕ5 или импортные аналоги. Чтобы не впаивать и выпаивать микросхему, лучше всего взять специальную контактную площадку и её впаять в схему (стоит копейки), а замена микросхемы будет занимать секунды, к тому же во время пайки нет риска, что микросхема будет перегрета или её повредит статическое электричество. К тому же, легко можно испытать разные марки микросхем на работоспособность.
Конденсатор C1полярный на напряжение не меньше 15 вольт, а ёмкостью от 47 до 500 микрофарад. Если хотите, чтобы зуммер после выключения питания сразу замолкал, то этот конденсатор нужно исключить, иначе после выключения питания, звук продолжается до тех пор, пока конденсатор не разрядится.
Конденсатор C2 керамический от 0.1 до 0.47 микрофарад. Они обозначаются цифрами на крышке - 104, 154, 224, 474.
Резистор R1 от 5 до 50 кило Ом. Мощность любая, но лучше меньше. Чтобы габариты были не большие.
Потенциометр R2 от 68 до 500 кило Ом. По мощности так же, поменьше.
Диод можно использовать вообще любой, какой Вам понравится. Он используется для защиты микросхемы от неправильного подключения питания. Можно вообще без него обойтись.
Звуковой пъезоизлучатель своими руками
Звуковой излучатель ЗП-3 или любой подобный.
Звуковой пъезоизлучатель своими руками
Как подключить ЗП-3? Если излучатель звука ЗП-3 новый, то к нему нужно припаять провода, так как на фотографии. Припаивается легко, если использовать флюс. Один провод паяем к мембране. Второй провод припаять к любому из двух выводов.
Напряжение питания схемы 12 вольт. Это может быть аккумулятор, выпрямитель или любой другой источник постоянного тока.
От номиналов элементов схемы зависит тон звучания устройства, поэтому можете поэкспериментировать, меняя конденсаторы и резисторы, добиваясь звука, который вам понравится.
Чтобы не делать печатную плату, лучше всего взять и использовать макетную плату, получается намного проще и быстрее.
Размещаем детали плотнее на макетной плате, запаиваем, ещё раз проверяем и пробуем звук, подключив к источнику питания.
Звуковой пъезоизлучатель своими руками
При правильной сборке и исправных деталях, схема начинает работать сразу и в настройке не нуждается. Если не нравится тон, то подстраиваем потенциометром на свой вкус.
Сигнализатор собран.
Звуковой пъезоизлучатель своими руками
Испытания собранного зуммера смотрите в видео
Источник: https://sdelaysam-svoimirukami.ru/4066-zvukovoy-pezoizluchatel-svoimi-rukami.html


